盲板阀(长系列)
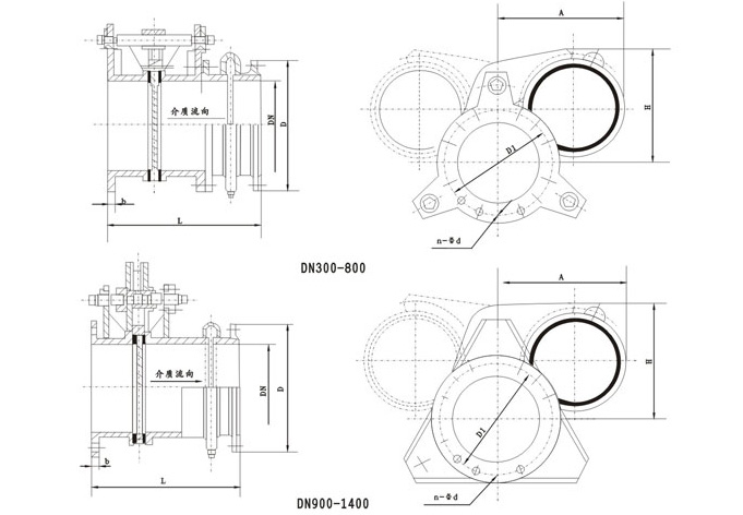
本阀 DN300-800 型手动扇形盲板阀为长结构系列。本阀在右阀体上设有伸缩器,一般用于较长管路中。
本阀的伸缩器可以补偿阀门启闭时阀体的轴向位移,减小阀门的启闭力矩(注:不能做为管路的补偿器)。
本阀 DN900-1400 型手动扇形盲板阀为长结构系列。本阀没有伸缩器,用于较长管路中(注:不能做为管路的补偿器)。根据大口径阀门的特点,阀体设计成三角形结构,加强了阀门的整体刚性。
|
公称通径 |
公称压力 |
适用温度 |
结构形式 |
适用介质 |
|
100-1400 |
0.05-0.25MPA |
≤300℃ |
长系列 |
煤气 |
|
DN |
L |
D |
D1 |
H |
A |
b |
n-φd |
质量 |
||
|
PN0.05 |
PN0.15 |
PN0.25 |
||||||||
| 200 | 500 | 320 | 280 | 310 | 350 | 18 | 8-φ18 | 75 | 85 | 90 |
| 250 | 500 | 375 | 335 | 330 | 400 | 18 | 12-φ18 | 95 | 100 | 105 |
| 300 | 500 | 440 | 395 | 350 | 450 | 18 | 12-φ22 | 160 | 176 | 190 |
| 350 | 500 | 490 | 445 | 380 | 500 | 18 | 12-φ22 | 200 | 220 | 240 |
| 400 | 600 | 540 | 495 | 405 | 550 | 24 | 16-φ22 | 240 | 245 | 270 |
| 450 | 600 | 595 | 550 | 430 | 600 | 26 | 16-φ22 | 310 | 340 | 400 |
| 500 | 600 | 645 | 600 | 750 | 680 | 26 | 20-φ26 | 350 | 385 | 420 |
| 600 | 600 | 755 | 705 | 830 | 840 | 28 | 20-φ26 | 450 | 495 | 440 |
| 700 | 630 | 860 | 810 | 880 | 1050 | 28 | 24-φ26 | 540 | 590 | 640 |
| 800 | 630 | 975 | 920 | 900 | 1150 | 28 | 24-φ30 | 650 | 710 | 770 |
| 900 | 630 | 1075 | 1020 | 1000 | 1300 | 26 | 24-φ30 | 880 | 970 | 1050 |
| 1000 | 630 | 1175 | 1120 | 1300 | 1450 | 26 | 28-φ30 | 980 | 1075 | 1096 |
| 1200 | 630 | 1375 | 1320 | 1400 | 1550 | 26 | 32-φ30 | 1220 | 1340 | 1460 |
| 1300 | 630 | 1475 | 1420 | 1500 | 1600 | 30 | 32-φ30 | 1440 | 1184 | 1720 |
| 1400 | 750 | 1575 | 1520 | 1550 | 1700 | 30 | 36-φ30 | 1750 | 1825 | 2000 |