液动盲板阀
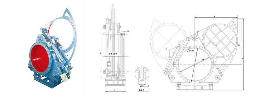
液动扇形盲板阀主要由左阀体、右阀体、丝杆副、翻板、密封圈、杠杆、液压油缸等零件组成,并由底座、支撑柱构成一个刚性结构体。阀门中设有夹紧油缸和翻板油缸,夹紧油缸通过杠杆副和丝杠螺旋副驱动左、右阀体完成松开、夹紧动作,翻板油缸驱动翻板完成开关动作。橡胶密封圈镶嵌在翻板上,具有耐高溫、密封性能好、更换方便、使用寿命长等特点。
本阀可以单台远距离控制,亦可多台联网远距离控制。非正常情况下还可以利用阀门本身装置手动操作。
|
公称压力 |
公称通径 |
适用温度 |
适用介质 |
|
0.05-0.25MPA |
300-2000 |
≤300℃ |
煤气 |
|
DN |
L |
D |
D1 |
A |
H |
H1 |
b |
n-φd |
质量 |
||
|
PN0.05 |
PN0.15 |
PN0.25 |
|||||||||
|
300 |
450 | 440 | 395 | 480 | 720 | 360 | 22 | 12-φ22 | 205 | 225 | 250 |
| 350 | 450 | 490 | 445 | 520 | 810 | 380 | 22 | 12-φ22 | 235 | 255 | 280 |
| 400 | 450 | 540 | 495 | 600 | 920 | 400 | 22 | 16-φ22 | 250 | 275 | 300 |
| 450 | 500 | 595 | 550 | 658 | 995 | 427 | 24 | 16-φ22 | 300 | 330 | 360 |
| 500 | 500 | 645 | 600 | 712 | 1102 | 452 | 24 | 20-φ22 | 350 | 385 | 420 |
| 600 | 600 | 755 | 705 | 874 | 1600 | 650 | 26 | 20-φ26 | 420 | 460 | 500 |
| 700 | 600 | 860 | 810 | 970 | 1700 | 700 | 30 | 24-φ26 | 560 | 610 | 670 |
| 800 | 600 | 975 | 920 | 1100 | 1860 | 1125 | 30 | 24-φ30 | 1500 | 1650 | 1750 |
| 900 | 800 | 1075 | 1020 | 1200 | 2055 | 1270 | 32 | 24-φ30 | 1800 | 1950 | 2050 |
| 1000 | 800 | 1175 | 1120 | 1320 | 2240 | 1400 | 35 | 28-φ30 | 2100 | 2310 | 2500 |
| 1100 | 800 | 1275 | 1220 | 1510 | 2425 | 1535 | 35 | 28-φ30 | 2300 | 2500 | 2750 |
| 1200 | 800 | 1375 | 1320 | 1625 | 2621 | 1680 | 35 | 32-φ30 | 2600 | 2850 | 3200 |
|
1300 |
800 | 1475 | 1420 | 1749 | 2760 | 1770 | 35 | 32-φ33 | 3000 | 3300 | 3600 |
| 1400 | 850 | 1575 | 1520 | 1856 | 2960 | 1925 | 35 | 36-φ30 | 4170 | 4520 | 4900 |
| 1500 | 850 | 1690 | 1630 | 1976 | 3105 | 2050 | 35 | 36-φ30 | 4400 | 5150 | 5650 |
| 1600 | 850 | 1760 | 1730 | 1293 | 3300 | 2160 | 35 | 40-φ30 | 4750 | 5650 | 6150 |
| 1800 | 1100 | 1990 | 1930 | 2335 | 3610 | 2370 | 35 | 44-φ30 | 5750 | 7350 | 8050 |
| 2000 | 1100 | 2190 | 2130 | 2570 | 3960 | 2620 | 35 | 46-φ30 | 6750 | 9350 | 9800 |